Ogranicznik przepięć DEHNbloc Maxi S, 1-biegunowy 255
nr kat.: D 900 220
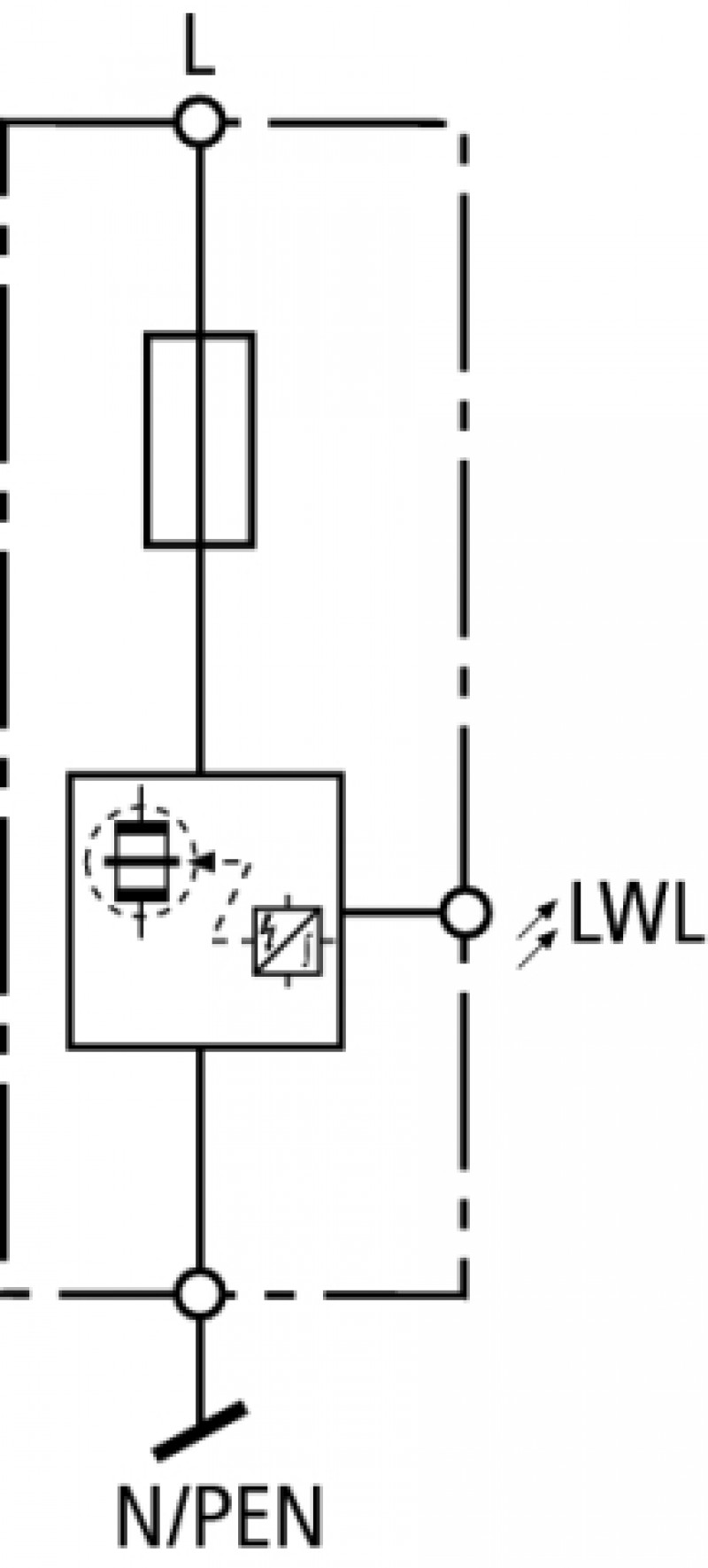
DBM 1 255 S: jednobiegunowy, skoordynowany ogranicznik z wbudowanym bezpiecznikiem, do szyn zbiorczych, do instalacji przemysłowych.
Największe napięcie pracy trwałej AC Uc = 255 V

